
符合標準:
YY/T 0462-2018,7.7細節再現
介紹:
試驗塊:帶如圖6和圖7中所示的劃線,由硬化不鏽鋼材質(400VHN)製成。
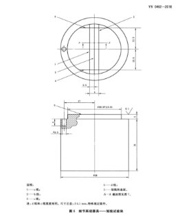
環形模具:如圖8所示。按GB/T131-2006,表麵粗糙度為N5(Ra=0.4μm).
開口模具:如圖9所示。按GB/T131-2006,表麵粗糙度為N5(Ra=0.4μm).




符合標準:
YY/T 0462-2018,7.7細節再現
介紹:
試驗塊:帶如圖6和圖7中所示的劃線,由硬化不鏽鋼材質(400VHN)製成。
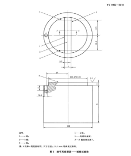
環形模具:如圖8所示。按GB/T131-2006,表麵粗糙度為N5(Ra=0.4μm).
開口模具:如圖9所示。按GB/T131-2006,表麵粗糙度為N5(Ra=0.4μm).




符合標準:
YY/T 0462-2018,7.7細節再現
介紹:
試驗塊:帶如圖6和圖7中所示的劃線,由硬化不鏽鋼材質(400VHN)製成。
環形模具:如圖8所示。按GB/T131-2006,表麵粗糙度為N5(Ra=0.4μm).
開口模具:如圖9所示。按GB/T131-2006,表麵粗糙度為N5(Ra=0.4μm).




上一篇 : 顯微硬度測量試樣模具 技術特征
下一篇 : 牙根管充填尖物理完整性試驗夾具工裝 產品特點
